Skip to content Skip to sidebar Skip to footer

Ford 4000 Hydraulic System Diagram

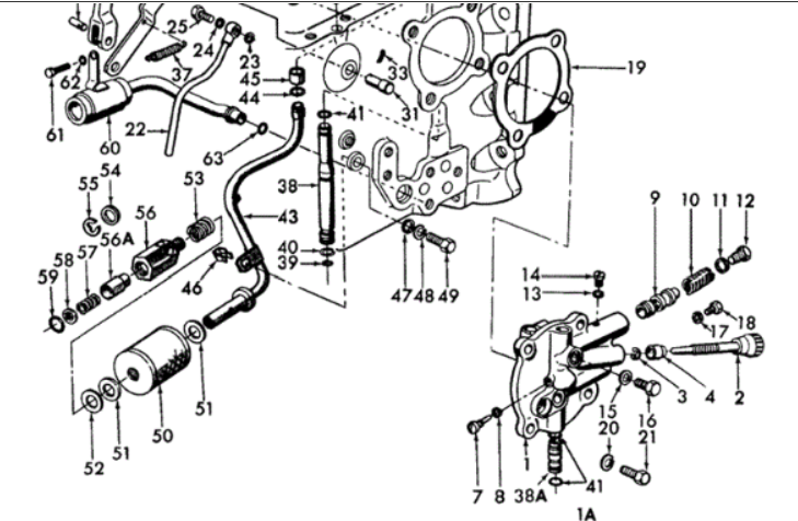
Need Help With Servicing 1966 Ford 4000 Hydraulic System My Tractor Forum

Need Help With Servicing 1966 Ford 4000 Hydraulic System My Tractor Forum

Ford 4000 hydraulic system diagram. See item 35 on the attached parts diagram. This is the complete service manual for the Ford 2000 3000 3400 3500 3550 4000 4400 4500 5000 5500 5550 and 7000 tractor. Ford 4000 Hydraulic System Parts for sale at discount prices.

Jensales offers the finest in Manuals Parts and Decals. Ford tractor steering box diagram. The Ford 4000 Tractor Operators Manual 1962-1964 fits the Ford New Holland 4000.

I have a 1971 ford 4000 with a loader and backhoe. Ford 4000 Hydraulics. What type of fluid should be used for the hydraulics.

Ford 3HP 5HP Chain Drive Rotary Tiller Service Repair Manual. Highland Park Michigan USA. Happened while the cylinder was being lowered to catch some grass in a ditch.

However the 65-75 Ford 4000 was completely different from the ground up. Ford 7710 Wiring Diagram Symbols Uk Triangle Diagrams Online Hydraulic System Custom O Luxury Sy Pdf Audi For Subwoofers Used Tractors And Machines P 4 Circuit Breaker Are Usually Found Where Tractor Diesel House 1 A Car Audio How To Understand Cars 3 Dvc Rv. Haust System are very dangerous and cannot easily.

Great for tune-ups regular maintenance or repairs. New Aftermarket Replacement Power Steering Kit made to fit Ford New Holland Tractor models. Same-day shipping and easy returns.

Wed Apr 28 2010 715 am Post subject. Pop noise while mowing hay with a disc mower.

Ford 4000 Hydraulics Tractor Forum

Ford 4000 Hydraulics Tractor Forum

Ford 4000 Major Tractor Parts Manual

Ford 4000 Major Tractor Parts Manual

How To Change The Hydraulic Filter On A 4000 Ford

How To Change The Hydraulic Filter On A 4000 Ford

Pin On Building

Pin On Building

Ford 2000 3000 4000 5000 7000 Repair Manual 1965 1975 Tractor Youfixthis

Ford 2000 3000 4000 5000 7000 Repair Manual 1965 1975 Tractor Youfixthis

Ford 4000 Hydraulic Pump Repair Kit S65428

Ford 4000 Hydraulic Pump Repair Kit S65428

Ford 4000 Hydraulic Oil Level Plug Yesterday S Tractors

Ford 4000 Hydraulic Oil Level Plug Yesterday S Tractors

Ford 4000 Hydraulics Tractor Forum

Ford 4000 Hydraulics Tractor Forum

Ford 4000 Hydraulics Tractor Forum

Ford 4000 Hydraulics Tractor Forum

1974 Ford 4000 Tractor Service Repair Manual

1974 Ford 4000 Tractor Service Repair Manual

1964 Ford 4000 Hydraulic Lift Not Yesterday S Tractors

1964 Ford 4000 Hydraulic Lift Not Yesterday S Tractors

Ford 3000 Three Point Hitch Slow To Raise Tractorbynet

Ford 3000 Three Point Hitch Slow To Raise Tractorbynet

Hydraulic Pump Parts For Ford Jubilee Naa Tractors 1953 1954

Hydraulic Pump Parts For Ford Jubilee Naa Tractors 1953 1954

Ford 4000 Loader Hydraulics Yesterday S Tractors

Ford 4000 Loader Hydraulics Yesterday S Tractors

39 Tractor Ideas Tractors Old Tractors Antique Tractors

39 Tractor Ideas Tractors Old Tractors Antique Tractors

4330 3 Cyl Narrow Orchard Tractor 1 65 12 00 05a01 Hydraulic Lift Cover Related Parts 2000 3000 4000 New Holland Agriculture

4330 3 Cyl Narrow Orchard Tractor 1 65 12 00 05a01 Hydraulic Lift Cover Related Parts 2000 3000 4000 New Holland Agriculture

How To Install Rear Remote Hydraulics On A Tractor Super Easy Youtube

How To Install Rear Remote Hydraulics On A Tractor Super Easy Youtube

Need Help With Servicing 1966 Ford 4000 Hydraulic System My Tractor Forum

Need Help With Servicing 1966 Ford 4000 Hydraulic System My Tractor Forum

Ford 4000 Tractor Service Manual

Ford 4000 Tractor Service Manual

Hydraulic Lift Cover Parts For Ford 8n Tractors 1947 1952

Hydraulic Lift Cover Parts For Ford 8n Tractors 1947 1952

Ford Tractor Hydraulic Lift Problems 3 Ford Tractors Tractors Ford

Ford Tractor Hydraulic Lift Problems 3 Ford Tractors Tractors Ford

Ford 2000 3000 4000 5000 7000 3400 3500 3550 4400 4500 5500 5550 Service Manual Tractor 40340070 Erepairinfo Com

Ford 2000 3000 4000 5000 7000 3400 3500 3550 4400 4500 5500 5550 Service Manual Tractor 40340070 Erepairinfo Com

Ford 4000 Tractor Parts Online Store Helpline 1 866 441 8193

Ford 4000 Tractor Parts Online Store Helpline 1 866 441 8193

Ford 4000 Hydraulic

Ford 4000 Hydraulic

1974 Ford 5500 Tractor Service Repair Manual

1974 Ford 5500 Tractor Service Repair Manual

Ford 4000 Hydraulics Tractor Forum

Ford 4000 Hydraulics Tractor Forum

Ford 2000 Tractor Bleeding The Fuel System Youtube

Ford 2000 Tractor Bleeding The Fuel System Youtube

Amazon Com Ford 2000 3000 4000 2600 3600 4600 5600 6600 Tractor Hydraulic Hyd Filter C5nnn832b Patio Lawn Garden

Amazon Com Ford 2000 3000 4000 2600 3600 4600 5600 6600 Tractor Hydraulic Hyd Filter C5nnn832b Patio Lawn Garden

1966 Ford 4000 Hydraulic Return Filter My Tractor Forum

1966 Ford 4000 Hydraulic Return Filter My Tractor Forum

Ford 3000 Hydraulic Filter Tractorbynet

Ford 3000 Hydraulic Filter Tractorbynet

Ford Hydraulic Valves Parts Bare Co New Zealand

Ford Hydraulic Valves Parts Bare Co New Zealand

Catalogo Pecas 2sk Ford F 4000 1996 Mwm Turbo 4 3t Mercado Livre

Catalogo Pecas 2sk Ford F 4000 1996 Mwm Turbo 4 3t Mercado Livre

Ford 4000 Tractor Service Manual

Ford 4000 Tractor Service Manual

Question For Tractor Mechanics I Am Looking For A Wiring Diagram For A 1972 Ford 4000 3 Cylinder Diesel Tractor Can

Question For Tractor Mechanics I Am Looking For A Wiring Diagram For A 1972 Ford 4000 3 Cylinder Diesel Tractor Can

1974 Ford 5500 Tractor Service Repair Manual

1974 Ford 5500 Tractor Service Repair Manual

File Manly 1919 Fig 135 Fordson Clutch Trans Rear Png Wikipedia

File Manly 1919 Fig 135 Fordson Clutch Trans Rear Png Wikipedia

Hydraulic Lift Shaft Parts For Ford Jubilee Naa Tractors 1953 1954

Hydraulic Lift Shaft Parts For Ford Jubilee Naa Tractors 1953 1954

Facebook

Facebook

Ford 4000 Tractor Parts Youtube

Ford 4000 Tractor Parts Youtube

Cap Cover C5nn4n008a New Holland Avspare Com

Cap Cover C5nn4n008a New Holland Avspare Com

1964 Ford 4000 Tractorshed Com

1964 Ford 4000 Tractorshed Com

Need Help With Servicing 1966 Ford 4000 Hydraulic System My Tractor Forum

Need Help With Servicing 1966 Ford 4000 Hydraulic System My Tractor Forum

Select O Speed Trans Problems Ford Fordson Collectors Association

Select O Speed Trans Problems Ford Fordson Collectors Association

Hydraulic Pump Parts For Ford 8n Tractors 1947 1952 Hydraulic Pump Hydraulic Tractors

Hydraulic Pump Parts For Ford 8n Tractors 1947 1952 Hydraulic Pump Hydraulic Tractors

Woods 315 2 Batwing Rotary Cutter Hydraulic System Assembly Drawing Parts And Diagram

Woods 315 2 Batwing Rotary Cutter Hydraulic System Assembly Drawing Parts And Diagram

Mf 35 Hydraulic Pump Detail

Mf 35 Hydraulic Pump Detail

How To Remove Lift Cover Ford 3000 Tractorbynet

How To Remove Lift Cover Ford 3000 Tractorbynet

Buy Best Spring Ford Tractors 1000 1300 1500 1600 1110 1210 1310 Sba398210030 Quality Assurance Uptimizers Nl

Buy Best Spring Ford Tractors 1000 1300 1500 1600 1110 1210 1310 Sba398210030 Quality Assurance Uptimizers Nl

Ford 4000 Hydraulic

Ford 4000 Hydraulic

This is the same manual that the dealer repair shops use.

Including bearings spring seat felt seals seals bushings grommets steering wheels throttle quadrants nuts choke knob and choke rod assembly. All Ford tractors have the same hydraulic components. The Ford 4000 Tractor was manufactured in Michigan from 1962 to 1975. Ford 2000 3000 4000 5000 7000 Series Tractor Service Reapir Shop Manual 1956-1975 Ford ST320 ST524 ST826 Snow Throwers Service Repair Manual. Found the pump had a very large crack. Tractor parts for your antique Ford tractor. The Ford 4000 was comparable to the Ford 801 and 901 tractors. However the 65-75 Ford 4000 was completely different from the ground up. Having inline hydraulic systems means that an operational.


THE KIT WILL NOT FIT TO FORD 4000 TRACTORS WHICH HAS A SWEPT AXLE. The 62-65 Ford 4000 was powered by a 55 hp 28L 4-cyl diesel or gas engine. I have a 1971 ford 4000 with a loader and backhoe. Jensales offers the finest in Manuals Parts and Decals. May not be suitable if the tractor has a front loader CAB or the kit needs to be modified. A pump reservoir high-pressure filter hoses and fittings and hydraulic pistons. FO-O-2400071146 FO-O-24000 Ford New Holland 4000 Ford 4000 Tractor Operators Manual 1962-1964 Ford.

Post a Comment for "Ford 4000 Hydraulic System Diagram"